客服热线:18191064665

Service Support
2021-07-02
测试数据处理与分析:
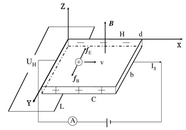
在励磁电流Im=0.80000A时,霍尔电压UH与Is的测量数据与关系曲线如下:
表1 UH-Is Im=0.80000A
N2600系列高精密数字源表还采用七档电流范围设置,可以将接收的数据误差降到最低;源表扫描速度可达1ms每点,能快速的建立扫描,缩短测试时间,有效减少待测物的热磁效应,可以高效满足霍尔效应测试需求。
永乐网站下载作为专业的电测仪器供应商,为您提供良好产品及技术支持的同时,更加关注您的设备是否正确使用和保养。因为正确的使用方法可以让您每一次测试都能得到更加精准的测试结果,正确的保养可以让您的工作伙伴为您服务更长,做出更多贡献。