
Main Products
WT5000具有无与伦比的精确度和模块化的构架,让工程师们能够兼顾精度与灵活性进行创新,并充满自信地将概念快速转化为产品,走向市场。
简易性 – 全触屏体验,辅以硬件按键及功能强 大的远程测量软件,连接、配置和测量功率变得空前简单。

WT5000作为世界上精度较高的精度功率分析仪,确保基本精度为±0.03%,且在选定电压和电流量程的1%~130%范围都能够保证精度。 WT5000最小化了低功率因数的影响(视在功率的0.02%),也能精确测量较大的相移与频率。

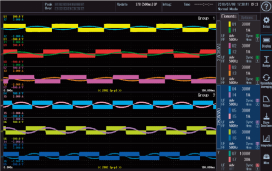
测量支持多达7个不同的功率相,采样速率达到10MS/s(18bit)。 10.1英寸的WXGA显示器具有高分辨率,允许多达7组的分屏波形显示,能显示多至12页测量参数,是效率测试的理想之选,适用于变频器驱动的电机、可再生能源技术以及诸如泵、风扇和电动车辆之类的牵引测量。测量数据还会即时以矢量格式或趋势图显示。


WT5000支持独立的触屏和硬件按键操作,流畅直观的体验让连接、配置和测量比以往更简单。 10.1英寸的WXGA触屏即使在电机和变频器等高噪音环境中依然保持优秀的抗干扰能力。



除了低通频率滤波器和线路滤波器, WT5000还具备高级滤波功能,提供高度的控制来精确分析最复杂的波形。

评估和对比变频器、电机或功率调节器高达500次的输入输出谐波。 WT5000让用户不仅能同时测量谐波和功率,还能对比来自两个不同输入源的谐波。
由于采用了具备数字并行通路技术的抗混叠功能和线路滤波器,可以同时对宽频成分和窄频成分进行功率分析,所以最大程度地降低了噪音和混叠的影响。


根据应用需求定义和使用事件触发及自定义运算。事件触发功能允许用户设置限值,捕获特定功率、电流或其他参数限值内或限值外的读数。用户还可以定义和使用多达20条不同的表达式,进行自定义运算。满足触发条件的数据可被存储、打印或另存到USB存储设备。
WT5000作为世界上精度较高的功率分析仪,确保基本精度为±0.03%,且在选定电压和电流量程的1%~130%范围都能够保证精度。 WT5000最小化了低功率因数的影响(视在功率的0.02%),也能精确测量较大的相移与频率。
评估电机、驱动器和变频器
不仅仅提供电气参数的测量。电机评价功能还可通过扭矩传感器的模拟/脉冲输出或转速传感器的脉冲输出,进行转速、方向、同步 速度、滑差、扭矩、机械功率、电角度和电机效率的测量。 在需要确定旋转方向和电角度时,每台WT5000最多能测量2部电机。但通过电机配置菜单中的简单设置,一台WT5000能够同时进行4组扭矩和转速传感器的测量,帮助用户评估4轮驱动车辆的整体性能。