
Main Products
产品概述
现在的电子设计可应用各种信号类型:模拟、 数字、串行(高速和低速)、并行、音频、视频、 功率分布等。所有信号都需要进行调试、测量 和验证,以确保正在测试的设备工作正常并符合规格规定。
为了处理各种信号类型,PicoScope 5000D 系列 FlexRes 示波器提供 8 至 16 为垂直分辨率,最大带宽可达 200 MHz,最高采样速率可达1GS/s。您可为每种测量需求选择最适合的硬件分辨率。
PicoScopes 包括许多高级功能,如遮罩容 限测试、串行译码、高级触发、自动测量、数学通道(包括针对时间绘制频率和占空比 的能力)、XY 模式和 分段内存。
PicoScope 5000D 系列示波器还能受益于 Pico 获奖的 DeepMeasure™ 功能和 FlexRes 灵活分辨率。

PicoScope 5000D 系列示波器的其他主要功能包括:
FlexRes 8 至 16 位灵活硬件分辨率
模拟带宽高达 200 MHz(60MHz,100MHz,200MHz)
8 位分辨率时采样速率为 1 GS/s
12 位分辨率时采样速率为 500 MS/s
16 位分辨率时采样速率为 62.5 MS/s
大容量捕捉内存 – 可保存 1.28 至 5.12
亿个样本
2 或 4 个模拟通道
混合信号型号添加了 16 个数据通道
串行译码 – 可分析 20 种协议(更多协 议正在开发中)
USB 3.0 连接,可用于连续高速数据流 传输
体积小、重量轻、携带方便
提供免费和定期更新的 PicoScope 6 软件 支持,这些设备可为多种应用(包括设计、研 究、测试、教育、服务和维修)提供理想和经济高效的程序包。
典型应用
这些示波器从事高性能嵌入式系统、信号处理、电力电子、机械电子和汽车设计的设计工程师,以及在实验室、粒子加速器和类似设施内从事各种多通道高性能试验的研究人员和科学家的理想之选。

混合信号型号
PicoScope 5000D MSO 型号向 2 或 4 个模拟通道添加了 16 个数字通道,使您能够为模拟和数字通道精确建立时间关系。数字通道可分组和显示为总线,每个总线值显示为十六进制、二进制或十进制,或显示为电平(用于 DAC 测试)。您可跨越模拟和数字通道设置高级触发。
数字输入还可为串行译码选项提供更多动力。您可同时解码所有模拟和数字通道上的串行数据,为您提供最多 20 个数据通道 –例如,可同时对多个 SPI、I²C、CAN 总线、LIN总线和 FlexRay 信号进行解码。

串行总线解码和协议分析 (for free)
由于具有大容量内存,PicoScope 5000D 系列示波器特别适合于串行译码和分析,这也是它的标准功能。
PicoScope 6 软件支持 20 种协议,包括 I2C、SPI、CAN、RS-232 和 Ethernet (更多协议正在开发中)。
译码可帮助您查看设计中发生的事情,从而找到编程和计时错误,并检查其他信号完整性问题。计时分析工具可以帮助您显示每个设计元素的性能,识别需要改进的部分,以便优化系统整体性能

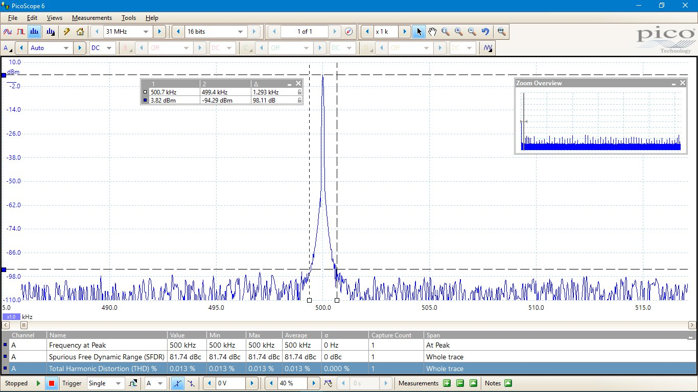
频谱分析仪
频谱视图可绘制振幅针对频率的图形,特 别适用于查找信号中的噪声、串扰或失 真。PicoScope 6 使用快速傅立叶变换 (FFT) 频谱分析仪,它与传统的扫频分析仪不同,可显示单一非重复波形频谱。
单击按钮后,可显示活动通道的频谱图,最高频率可达 200 MHz。全面的设置使您可控制大量的频谱频段、窗口功能、缩放(包括 log/log)和显示模式(瞬时、平均或峰值保持)。
可以使用不同的通道选择和缩放因子来显示多个频谱,并将这些频谱并排放置在相同数据的时域视图旁边。从多个自动频域测量中进行选择,添加到显示中,包括THD、THD+N、SNR、SINAD 和 IMD。可以将遮罩容限测试应用于频谱,甚至可以一起使用 AWG 和频谱模式来执行执行扫描标量网络分析。

任意波形与函数发生器
所有 PicoScope 5000D 设备均带有一个内置 14 位 200 MS/s 任意波形发生器 (AWG)。您可以使用内置的编辑器创建或修改任意波形,从现有示波器描迹中导入它们,或从电子表格中加载。
AWG 也可作为函数发生器,具有一系列标准输出信号,包括正弦、正方形、三角形、DC 电平、白噪声和 PRBS。
除了用于设定电平、偏差与频率的基本控件之外,更为先进的控件可使您扫描一系列频率。当与频谱峰值保持选件组合时,这可成为一种用于测试放大器与滤波器响应的强大工具。
触发工具允许您在满足各种条件(如示波器触发或遮罩容限测试失败等)时输出一个或多个波形周期。
PicoScope 5000D 系列订购信息

陕西永乐网站下载 18191064665作为专业的电测仪器供应商,为您提供良好产品及技术支持的同时,更加关注您的设备是否正确使用和保养。因为正确的使用方法可以让您每一次测试都能得到更加精准的测试结果,正确的保养可以让您的工作伙伴为您服务更长,做出更多贡献。