
Main Products
带 PicoConnect 探针的 PicoScope 4444 ® : 差分测量的一种新标准
使用四个真差分输入、12 至 14 位分辨率和宽度差分及共模电压范围,PicoScope 4444 及其附件可以为各种应用的振幅提供精确和详细的测量。9 针 D型连接器可提供真差分探针接口,并可允许 PicoScope 6 软件自动识别探针和选择适当的显示设置。

PicoScope ® 4444 主要特点:
灵活的 12 或 14 位分辨率
20 MHz 带宽
高达 400 MS/s 采样速率
256 MS 捕捉内存
用于真差分输入
高共模抑制比
智能探针接口
为什么使用 PicoScope 4444 差分示波器?
当然,市面上有各种差分探针,但都具有相似的不便之处:笨重的接口盒、缺少电池或扁平型电池、蛇形电源导线...PicoScope 4444 使用特别设计的无源电压探针,其接口盒更小更轻(或无)接口盒。PicoScope 4444 具有高分辨率和大内存,使您可以同时进行多个差分测量,而永远无需占用多个电源插座。其智能探针接口自动将 PicoScope 显示屏配置到您的探针,因此您无需进行配置。
真差分高分辨率测量
PicoScope 4444 的 Pico D9 输入使您可以进行真分差测量。满刻度时的最大输入范围是 ±50 V(使用 PicoConnect 442 1000 V CAT III 探针时为 ±1000 V),最大共模范围也是 ±50 V(使用 PicoConnect 442 时也是 ±1000 V)。可以设置示波器以 12 或 14 位分辨率进行测量,比许多示波器通常使用的 8 位分辨率要好得多。深度捕捉内存(高达 25600 万个活动通道共享的样本)是另一优势,可以进行长时间的捕捉而不会降低采样速率。
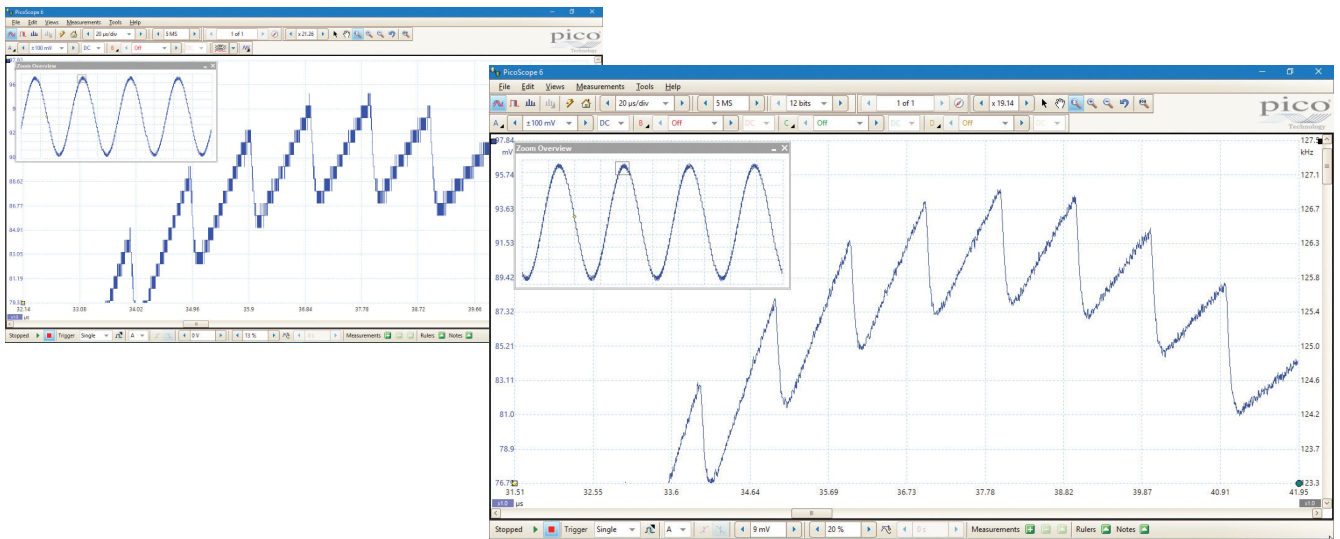
以下两个图像显示了一个带有锯齿干扰模式的正弦波,分别显示在 8 位 PicoScope 2208B(左侧)和 PicoScope 4444 的 12 位模式中(右侧)。PicoScope 2208B 比 PicoScope 4444 具有更大的带宽和更快的采样速率,但是无法解决信号的细节问题。PicoScope 4444 的 12 位分辨率可以提供 16 倍的垂直方向细节,且其 256 MS 的深度捕捉内存同样可以提供更大的水平方向分辨率。

PicoLog® 6 支持
PicoScope 4444 现在在 PicoLog 6 中已得到支持,使您可以同时使用多个设备单元,因此 可以使用两个 PicoScope 4444 在一个捕获上查看和记录 3 相电压和 3 相电流。 PicoLog 6 允许每个通道使用最高 1 kS/s 的采样速率,是同时长期观察几个通道上的相 位、电压和电流水平等参数的理想之选,例如监控建筑和 HVAC 的电力使用情况。它不太适合于波形或谐波分析:这些任务请使用 PicoScope 6 软件。
示波器套件
我们提供三种预配置套件,带有进行差分测量所需的一切。每个套件包括 PicoScope 4444 高分辨率差分示波器和三个带 Pico D9 连接器的差分电压探针。该套件还带有
TA271 D9‑BNC 适配器,它使您可以使用传统的示波器电压探针通过接地参考探针来进行单端测量。最后,所有三种套件都提供在牢固的便携箱内,如下图所示。
同时还单独提供各种其他附件。

陕西永乐网站下载 18191064665作为专业的电测仪器供应商,为您提供良好产品及技术支持的同时,更加关注您的设备是否正确使用和保养。因为正确的使用方法可以让您每一次测试都能得到更加精准的测试结果,正确的保养可以让您的工作伙伴为您服务更长,做出更多贡献。